您好,欢迎访问连云港米德罗泵业有限公司!
全国咨询热线0518-83211422
连云港米德罗泵业有限公司
公司电话:0518-83211422
公司传真:0518-83211422
联 系 人 : 时先生
联系手机 : 15861214681
电子邮箱: SYL225767@126.COM
公司地址: 连云港市灌南经济开发区海西大道南路3号
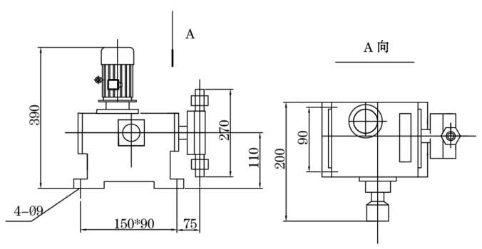
产品名称:JWM—J系列计量泵
功能特性介绍:
JWM—J系列计量泵技术参数表
结构合理、调节方便、维护简单。
机械驱动隔膜,安全不泄露,精度稳定。
性能可靠、运行平稳、无噪声。
适应介质温度-40—100℃,粘度<1000CP。
计量精确、耐磨性强、密封性能好
可手动、变频、电动无级调节流量。
泵头材质可采用PVC、PTEE、不锈钢等。
金属增强复合隔膜、使用寿命长。
实用于净化、污水处理等行业。
整机重量:18—22Kg
型号规格 JWM—J-L/h /MPa
型号 流量(L/h)/压力(MPa) 电机功率KW 膜片 
直径 
mm
接口通径 
mm
最大 
行程 
mm
往复次数min-1
35 70 105
JWM-J 18/0.63 36/0.63 54/0.63 0.18 65 6     8    
18/1.0 36/1.0 54/1.0 0.25
JWM-J 35/0.5 70/0.5 105/0.5 0.18 81 6
35/0.8 70/0.8 105/0.8 0.25
JWM-J 60/0.4 120/0.4 180/0.4 0.18 101 15
60/0.63 120/0.63 180/0.63 0.25
JWM-J 90/0.3 180/0.3 270/0.3 0.18 121 15
典型安装图