产品名称:2JXM系列计量泵
功能特性介绍:
2JXM系列计量泵技术参数表
液压驱动隔膜,绝不泄漏。
高精度进出口单向阀。
内置自动放气安全阀,限位自动补油阀,确保计量精度。
双隔膜/带破裂报警功能。
PTEE隔膜寿命≥8000小时;金属隔膜>5000小时。
可手动/自动/数字变频调节流量。
泵在运行和停止状态下均可调节流量,精度±1%。
介质温度:PTEE隔膜≤100℃,金属隔膜≤200℃.
多种泵头材质可选:塑料、不锈钢、合金钢等。
独特的双缸设计,脉冲小、工作平稳、噪声低。
整机重量:130—140Kg
型号规格 2JXM-L/h /MPa
型号 |
流量(L/h)/压力(MPa) |
电机功率KW |
柱塞
直径
mm |
接口通径
mm |
最大行程
mm |
往复次数min-1 |
60 |
80 |
97 |
120 |
160 |
2JXM |
6/16 |
8/12.5 |
10/10 |
12/8.0 |
17/6.3 |
0.55 |
8 |
Φ6 |
25 |
6/20 |
8/16 |
10/12.5 |
12/10 |
17/8.0 |
0.75 |
2JXM |
10/10 |
13/8.0 |
16/6.3 |
20/5.0 |
26/4.0 |
0.55 |
10 |
Φ6 |
10/12.5 |
13/10 |
16/8.0 |
20/6.3/ |
26/5.0 |
0.75 |
2JXM |
16/8.0 |
20/6.3 |
26/5.0 |
32/4.0 |
44/3.2 |
0.55 |
12 |
Φ6 |
16/10 |
20/8.0 |
26/6.3 |
32/5.0 |
44/4.0 |
0.75 |
2JXM |
28/6.3 |
38/5.0 |
46/4.0 |
56/3.2 |
76/2.5 |
0.55 |
16 |
Φ6 |
28/8.0 |
38/6.3 |
46/5.0 |
56/4.0 |
76/3.2 |
0.75 |
2JXM |
50/5.0 |
68/4.0 |
82/3.2 |
100/2.5 |
136/2.0 |
0.55 |
20 |
Φ6 |
50/6.3 |
68/5.0 |
82/4.0 |
100/3.2 |
136/2.5 |
0.75 |
2JXM |
80/4.0 |
104/3.2 |
128/2.5 |
160/2.0 |
210/1.6 |
0.55 |
25 |
Φ6 |
80/5.0 |
104/4.0 |
128/3.2 |
160/2.5 |
210/2.0 |
0.75 |
2JXM |
104/3.2 |
140/2.5 |
170/2.0 |
210/1.6 |
280/1.3 |
0.55 |
28 |
Φ6 |
104/4.0 |
140/3.2 |
170/2.5 |
210/2.0 |
280/1.6 |
0.75 |
2JXM |
140/2.5 |
180/2.0 |
220/1.6 |
280/1.3 |
370/1.0 |
0.55 |
32 |
Φ15 |
140/3.2 |
180/2.5 |
220/2.0 |
280/1.6 |
370/1.3 |
0.75 |
2JXM |
200/2.0 |
270/1.6 |
330/1.3 |
400/1.0 |
540/0.8 |
0.75 |
40 |
Φ15 |
200/2.5 |
270/2.0 |
330/1.6 |
400/1.3 |
540/1.0 |
1.1 |
2JXM |
256/1.6 |
340/1.3 |
410/1.0 |
500/0.8 |
680/0.5 |
0.75 |
45 |
Φ15 |
256/2.0 |
340/1.6 |
410/1.3 |
500/1.0 |
680/0.8 |
1.1 |
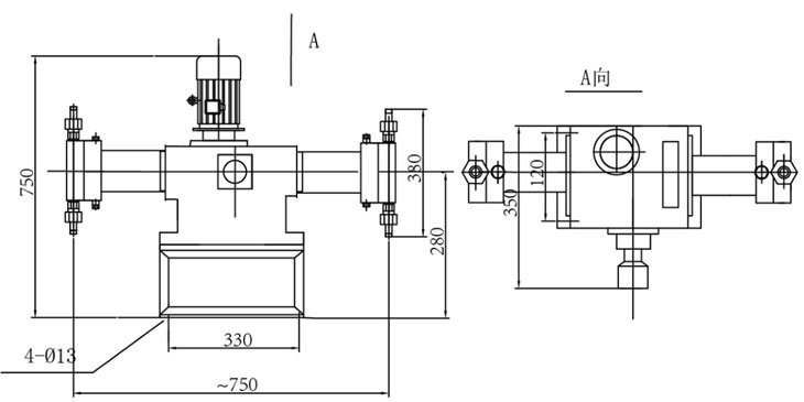
典型安装图