您好,欢迎访问连云港米德罗泵业有限公司!
全国咨询热线0518-83211422
连云港米德罗泵业有限公司
公司电话:0518-83211422
公司传真:0518-83211422
联 系 人 : 时先生
联系手机 : 15861214681
电子邮箱: SYL225767@126.COM
公司地址: 连云港市灌南经济开发区海西大道南路3号
产品名称:2JDM系列计量泵
功能特性介绍:
2JDM系列计量泵技术参数表
液压驱动隔膜,绝不泄漏。
高精度进出口单向阀。
内置自动放气安全阀,限位自动补油阀,确保计量精度。
双隔膜/带破裂报警功能。
PTEE隔膜寿命≥8000小时;金属隔膜>5000小时。
可手动/自动/数字变频调节流量。
泵在运行和停止状态下均可调节流量,精度±1%。
介质温度:PTEE隔膜≤100℃,金属隔膜≤200℃.
多种泵头材质可选:塑料、不锈钢、合金钢等。
独特的双缸设计,脉冲小、工作平稳、噪声低。
整机重量:580—620Kg。
型号规格 2JDM-L/h /MPa
型号 流量(L/h)/压力(MPa) 电机功率KW 柱塞 
直径 
mm
接口通径 
mm
额定 
行程 
mm
往复次数min-1
90 135
2JDM 140/16 200/12.5 2.2 20 Φ15               50
140/32 200/25 4
2JDM 240/10 360/8.0 2.2 25 Φ15
240/20 360/16 4
2JDM 300/8.0 460/6.3 2.2 28 Φ15
300/16 460/12.5 4
2JDM 400/6.3 580/5.0 2.2 32 Φ20
400/12.5 580/10 4
2JDM 490/5.0 720/4.0 2.2 35 Φ20
490/10 720/8.0 4
2JDM 640/4.0 920/3.5 2.2 40 Φ20
640/8.0 920/7.0 4
2JDM 800/3.5 1200/3.1 2.2 45 Φ25
800/7.0 1200/6.2 4
2JDM 1000/3.1 1500/2.7 2.2 50 Φ25
1000/6.2 1500/5.5 4
2JDM 1200/2.7 1800/2.5 2.2 55 Φ25
1200/5.5 1800/5.0 4
2JDM 1400/2.5 2000/2.2 2.2 60 Φ35
1400/5.0 2000/4.5 4
2JDM 1700/2.2 2500/2.0 2.2 65 Φ35
1700/4.5 2500/4.0 4
2JDM 1960/2.0 2900/1.7 2.2 70 Φ35
1960/4.0 2900/3.5 4
2JDM 2200/1.7 3400/1.5 2.2 75 Φ35
2200/3.5 3400/3.0 4
2JDM 2560/1.5 3800/1.3 2.2 80 Φ35
2560/3.0 3800/2.5 4
2JDM 2900/2.5 4360/2.0 4 85 Φ35
2JDM 3200/2.0 4800/1.6 4 90 Φ45
2JDM 3600/1.6 5400/1.3 4 95 Φ45
2JDM 4000/1.3 6000/1.0 4 100 Φ45

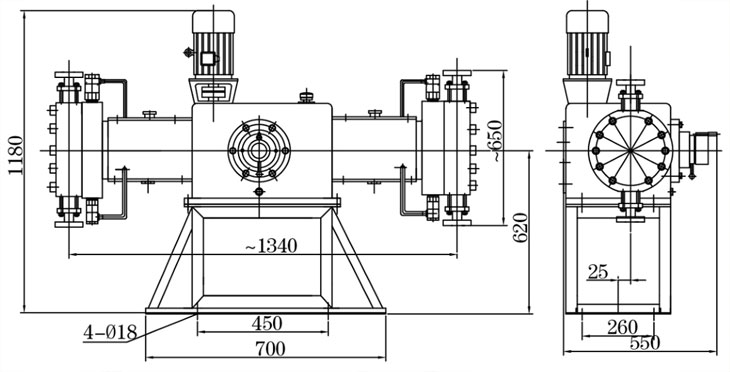
典型安装图