您好,欢迎访问连云港米德罗泵业有限公司!
全国咨询热线0518-83211422
连云港米德罗泵业有限公司
公司电话:0518-83211422
公司传真:0518-83211422
联 系 人 : 时先生
联系手机 : 15861214681
电子邮箱: SYL225767@126.COM
公司地址: 连云港市灌南经济开发区海西大道南路3号
产品名称:JXM—J系列计量泵
功能特性介绍:
JXM—J系列计量泵技术参数表
该系列泵可多台串联使用。
结构合理、调节方便、维护简单。
机械驱动隔膜,安全不泄露,精度稳定。
性能可靠、运行平稳、无噪声。
适应介质温度-40—100℃,粘度<1000CP。
计量精确、耐磨性强、密封性能好。
可手动、变频、电动无级调节流量。
泵头材质可采用PVC、PTEE、不锈钢等。
金属增强复合隔膜、使用寿命长。
整机重量:50—55Kg
型号规格 JXM—J-L/h /MPa
流量(L/h)/压力(MPa) 电机功率KW 膜片 
直径 
mm
接口通径 
mm
最大 
行程 
mm
往复次数min-1
80 97 120 160
JXM-J 70/0.6 85/0.6 105/0.6 140/0.6 0.37 81 Φ6       8  
70/0.8 85/0.8 105/0.8 140/0.8 0.55
JXM-J 125/0.5 150/0.5 185/0.5 250/0.5 0.37 101 Φ15
125/0.7 150/0.7 185/0.7 250/0.7 0.55
JXM-J 200/0.4 245/0.4 300/0.4 400/0.4 0.37 121 Φ15
200/0.6 245/0.6 300/0.6 400/0.6 0.55
JXM-J 275/0.3 360/0.3 450/0.3 600/0.3 0.55 141 Φ20
275/0.5 360/0.5 450/0.5 600/0.5 0.75
JXM-J 400/0.2 480/0.2 600/0.2 800/0.2 0.55 161 Φ25
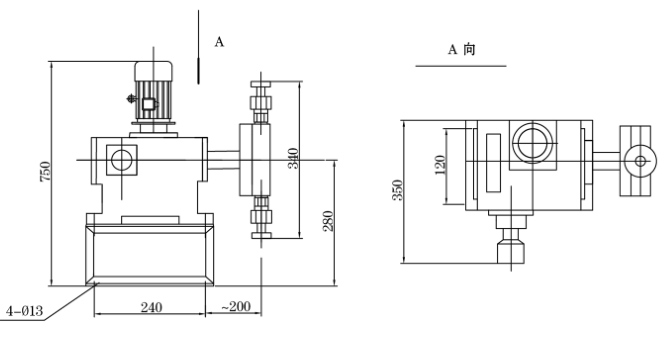
典型安装图