您好,欢迎访问连云港米德罗泵业有限公司!
全国咨询热线0518-83211422
连云港米德罗泵业有限公司
公司电话:0518-83211422
公司传真:0518-83211422
联 系 人 : 时先生
联系手机 : 15861214681
电子邮箱: SYL225767@126.COM
公司地址: 连云港市灌南经济开发区海西大道南路3号
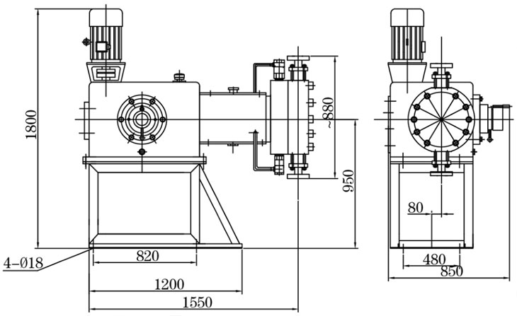
产品名称:JGM系列计量泵
功能特性介绍:
JGM系列计量泵技术参数表
液压驱动隔膜,绝不泄漏。
高精度进出口单向阀。
内置自动放气安全阀,限位自动补油阀,确保计量精度。
双隔膜/带破裂报警功能。
PTEE隔膜寿命≥8000小时;金属隔膜>5000小时。
可手动/自动/数字变频调节流量。
泵在运行和停止状态下均可调节流量,精度±1%。
介质温度:PTEE隔膜≤100℃,金属隔膜≤200℃.
多种泵头材质可选:塑料、不锈钢、合金钢等。
整机重量:1300—1400Kg。
型号规格 JGM-L/h /MPa
型号 流量(L/h)/压力(MPa) 电机功率KW 柱塞 
直径 
mm
接口通径 
mm
额定 
行程 
mm
往复次数min-1
120 144
JGM 600/25 700/20 15 35 Φ25       100
600/50 700/40 22
JGM 800/20 900/18 15 40 Φ25
800/40 900/36 22
JGM 1000/18 1200/16 15 45 Φ25
1000/36 1200/32 22
JGM 1500/16 1800/14 15 50 Φ35
1500/32 1800/28 22
JGM 1500/14 1800/12.5 15 55 Φ35
1500/28 1800/25 22
JGM 1800/12.5 2200/11 15 60 Φ35
1800/25 2200/22 22
JGM 2100/11 2600/9.5 15 65 Φ45
2100/22 2600/19 22
JGM 2400/9.5 2900/8.0 15 70 Φ45
2400/19 2900/16 22
JGM 2800/8.0 3400/7.0 15 75 Φ45
2800/16 3400/14 22
JGM 3200/7.0 3900/6.0 15 80 Φ55
3200/14 3900/12 22
JGM 3600/6.0 4400/5.0 15 85 Φ55
3600/12 4400/10 22
JGM 4100/5.0 4900/5.0 15 90 Φ55
4100/10 4900/8.0 22
JGM 5000/8.0 6000/7.0 22 100 Φ75
JGM 6100/7.0 7400/6.0 22 110
JGM 7300/6.0 8800/5.0 22 120 Φ75
JGM 10000/5.0 12000/4.0 22 140
JGM 13000/4.0 16000/3.0 30 160 Φ95
JGM 16500/3.0 20000/2.0 30 180 Φ95