您好,欢迎访问连云港米德罗泵业有限公司!
全国咨询热线0518-83211422
连云港米德罗泵业有限公司
公司电话:0518-83211422
公司传真:0518-83211422
联 系 人 : 时先生
联系手机 : 15861214681
电子邮箱: SYL225767@126.COM
公司地址: 连云港市灌南经济开发区海西大道南路3号
产品名称:JW系列柱塞式计量泵
功能特性介绍:
产品特点
结构合理、调节方便、维护简单。
性能可靠、运行平稳、无噪声。
计量精确、耐磨性强、密封性能好。
可手动、变频、电行无级调节流量。
流量稳定精度±1%。
泵在运行或停止状态下均可调节。
泵头可制成保温夹套型,电热加温型等。
泵头材质可采用304、316L、20号合金、PP、哈氏合金、陶瓷等
整机重量:20—22Kg。
型号规格 JW-L/h /MPa
型号 流量(L/h)/压力(MPa)

电机功率
kw

柱塞直径
mm
接口通径
mm
最大行程
mm
往复次数min﹣1
35 70 105
JW 0.6/8.0 1.2/6.4 1.8/5.0 0.18 6

φ6

15
0.6/10 1.2/8.0 1.8/6.4 0.25
JW 1/6.4 2/5.0 3/4.0 0.18 8 φ6
1/8.0 2/6.4 3/5.0 0.25
JW 1.7/5.0 3.4/4.0 5.1/3.2 0.18 10 φ6
1.7/6.4 3.4/5.0 5.1/4.0 0.25
JW 2.5/4.0 5/3.2 7.5/2.5 0.18 12 φ6
2.5/5.0 5/4.0 7.5/3.2 0.25
JW 3.5/3.2 7/2.5 10/2.0 0.18 14 φ6
3.5/4.0 7/3.2 10/2.5 0.25
JW 5/2.5 10/2.0 15/1.6 0.18 16 φ6
5/3.2 10/2.5 15/2.0 0.25
JW 7/2.0 14/1.6 21/1.2 0.18 18 φ6
7/2.5 14/2.0 21/1.6 0.25
JW 8.5/1.6 17/1.2 25/0.8 0.18 20 φ6
8.5/2.0 17/1.6 25/1.2 0.25
JW 14/1.2 28/0.8 42/0.5 0.18 25 φ6
14/1.6 28/1.2 42/0.8 0.25
JW 18/0.8 36/0.5 54/0.3 0.18 28 φ6

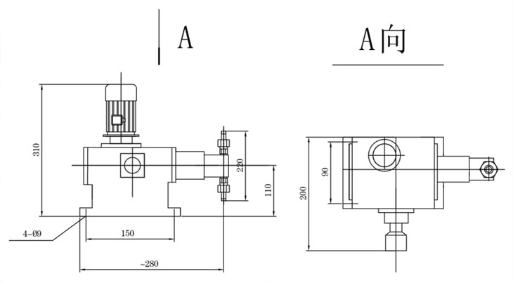
典型安装图