您好,欢迎访问连云港米德罗泵业有限公司!
全国咨询热线0518-83211422
连云港米德罗泵业有限公司
公司电话:0518-83211422
公司传真:0518-83211422
联 系 人 : 时先生
联系手机 : 15861214681
电子邮箱: SYL225767@126.COM
公司地址: 连云港市灌南经济开发区海西大道南路3号
产品名称:2JXM—J系列计量泵
功能特性介绍:
2JXM—J系列计量泵技术参数表
独特的双缸设计,也可多台串联使用。
结构合理、调节方便、维护简单。
机械驱动隔膜,安全不泄露,精度稳定。
脉冲小、运行平稳、噪声低。
计量精确、耐磨性强、密封性能好。
可手动、变频、电动无级调节流量。
适应介质温度-40-100℃,粘度<1000CP
泵头材质可采用PVC、PTEE、不锈钢等。
金属增强复合隔膜、使用寿命长。
整机重量:90—110Kg。
型号规格 2JXM—J-L/h /MPa
型号 流量(L/h)/压力(MPa) 电机功率KW 膜片 
直径 
mm
接口通径 
mm
最大 
行程 
mm
往复次数min-1
80 97 120 160
2JXM-J 140/0.6 170/0.6 210/0.6 280/0.6 0.55 81 Φ6     8
140/0.8 170/0.8 210/0.8 280/0.8 0.75
2JXM-J 250/0.5 300/0.5 370/0.5 500/0.5 0.55 101 Φ15
250/0.7 300/0.7 370/0.7 500/0.7 0.75
2JXM-J 400/0.4 490/0.4 600/0.4 800/0.4 0.55 121 Φ15
400/0.6 490/0.6 600/0.6 800/0.6 0.75
2JXM-J 600/0.3 720/0.3 900/0.3 1200/0.3 0.75 141 Φ20
600/0.5 720/0.5 900/0.5 1200/0.5 1.1
2JXM-J 800/0.2 960/0.2 1200/0.2 1600/0.2 0.75 161 Φ25
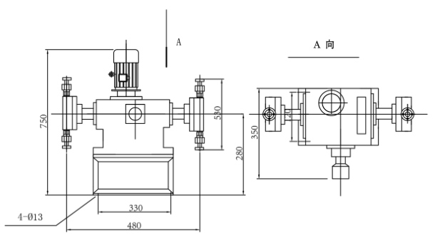
典型安装图