产品名称:JWM系列计量泵
功能特性介绍:
JWM系列计量泵技术参数表
液压驱动隔膜,绝不泄漏。
高精度进出口单向阀。
内置自动放气安全阀,限位自动补油阀,确保计量精度。
双隔膜/带破裂报警功能。
PTEE隔膜寿命≥8000小时;金属隔膜>5000小时。
可手动/自动/数字变频调节流量。
泵在运行和停止状态下均可调节流量,精度±1%。
介质温度:PTEE隔膜≤100℃,金属隔膜≤200℃.
多种泵头材质可选:塑料、不锈钢、合金钢等。
可单台工作,也可多台并联。
整机重量:38—40Kg。
型号规格 JWM-L/H /MPa
型号 |
流量(L/H)/压力(MPa) |
电机功率KW |
柱塞直径Mm |
接口通径
Mm |
最大行程Mm |
往复次数Min-1 |
35 |
70 |
105 |
JWM |
0.6/8.0 |
1.2/6.4 |
1.8/5.0 |
0.18 |
6 |
Φ6 |
15 |
0.6/10 |
1.2/8.0 |
1.8/6.4 |
0.25 |
JWM |
1/6.4 |
2/5.0 |
3/4.0 |
0.18 |
8 |
Φ6 |
1/8.0 |
2/6.4 |
3/5.0 |
0.25 |
JWM |
1.7/5.0 |
3.4/4.0 |
5.1/3.2 |
0.18 |
10 |
Φ6 |
1.7/6.4 |
3.4/5.0 |
5.1/4.0 |
0.25 |
JWM |
2.5/4.0 |
5/3.2 |
7.5/2.5 |
0.18 |
12 |
Φ6 |
2.5/5.0 |
5/4.0 |
7.5/3.2 |
0.25 |
JWM |
3.5/3.2 |
7/2.5 |
10/2.0 |
0.18 |
14 |
Φ6 |
3.5/4.0 |
7/3.2 |
10/2.5 |
0.25 |
JWM |
5/2.5 |
10/2.0 |
15/1.6 |
0.18 |
16 |
Φ6 |
5/3.2 |
10/2.5 |
15/2.0 |
0.25 |
JWM |
7/2.0 |
14/1.6 |
21/1.2 |
0.18 |
18 |
Φ6 |
7/2.5 |
14/2.0 |
21/1.6 |
0.25 |
JWM |
8.5/1.6 |
17/1.2 |
25/0.8 |
0.18 |
20 |
Φ6 |
8.5/2.0 |
17/1.6 |
25/1.2 |
0.25 |
JWM |
14/1.2 |
28/0.8 |
42/0.5 |
0.18 |
25 |
Φ6 |
14/1.6 |
28/1.2 |
42/0.8 |
0.25 |
JWM |
18/0.8 |
36/0.5 |
54/0.3 |
0.18 |
28 |
Φ6 |
|
36/0.8 |
54/0.5 |
0.25 |
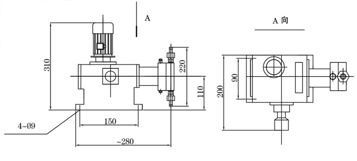
典型安装图