您好,欢迎访问连云港米德罗泵业有限公司!
全国咨询热线0518-83211422
连云港米德罗泵业有限公司
公司电话:0518-83211422
公司传真:0518-83211422
联 系 人 : 时先生
联系手机 : 15861214681
电子邮箱: SYL225767@126.COM
公司地址: 连云港市灌南经济开发区海西大道南路3号
产品名称:JXM系列计量泵
功能特性介绍:
JXM系列计量泵技术参数表
液压驱动隔膜,绝不泄漏。
高精度进出口单向阀。
内置自动放气安全阀,限位自动补油阀,确保计量精度。
双隔膜/带破裂报警功能。
PTEE隔膜寿命≥8000小时;金属隔膜>5000小时。
可手动/自动/数字变频调节流量。
泵在运行和停止状态下均可调节流量,精度±1%。
介质温度:PTEE隔膜≤100℃,金属隔膜≤200℃.
多种泵头材质可选:塑料、不锈钢、合金钢等。
可单台工作,也可多台并联。
整机重量:70—75Kg。
型号规格 JXM-L/h /MPa
型号

流量(L/h)/压力(MPa)

电机功率KW 柱塞直径
mm
接口通径
mm
最大行程 mm
往复次数min-1
60 80 97 120 160
JXM 3/16 4/12.5

5/10

6/8.0 8.5/6.3 0.37 8 Φ6           25
3/20 4/16

5/12.5

6/10 8.5/8.0 0.55
JXM 5/10 6.5/8.0 8/6.3 10/5.0 13/4.0 0.37 10 Φ6
5/12.5 6.5/10 8/8.0 10/6.3/ 13/5.0 0.55
JXM 8/8.0 10/6.3 13/5.0 16/4.0 22/3.2 0.37 12 Φ6
8/10 10/8.0 13/6.3 16/5.0 22/4.0 0.55
JXM 14/6.3 19/5.0 23/4.0 28/3.2 38/2.5 0.37 16 Φ6
14/8.0 19/6.3 23/5.0 28/4.0 38/3.2 0.55
JXM 25/5.0 34/4.0 41/3.2 50/2.5 68/2.0 0.37 20 Φ6
25/6.3 34/5.0 41/4.0 50/3.2 68/2.5 0.55
JXM 40/4.0 52/3.2 64/2.5 80/2.0 105/1.6 0.37 25 Φ6
40/5.0 52/4.0 64/3.2 80/2.5 105/2.0 0.55
JXM 52/3.2 70/2.5 85/2.0 105/1.6 140/1.3 0.37 28 Φ6
52/4.0 70/3.2 85/2.5 105/2.0 140/1.6 0.55
JXM 70/2.5 90/2.0 110/1.6 140/1.3 185/1.0 0.37 32 Φ6
70/3.2 90/2.5 110/2.0 140/1.6 185/1.3 0.55
JXM 100/2.0 135/1.6 165/1.3 200/1.0 270/0.8 0.55 40 Φ15
100/2.5 135/2.0 165/1.6 200/1.3 270/1.0 0.75
JXM 128/1.6 170/1.3 205/1.0 250/0.8 340/0.5 0.55 45 Φ15
128/2.0 170/1.6 205/1.3 250/1.0 340/0.8 0.75

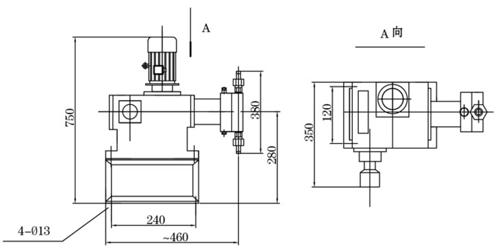
典型安装图