您好,欢迎访问连云港米德罗泵业有限公司!
全国咨询热线0518-83211422
连云港米德罗泵业有限公司
公司电话:0518-83211422
公司传真:0518-83211422
联 系 人 : 时先生
联系手机 : 15861214681
电子邮箱: SYL225767@126.COM
公司地址: 连云港市灌南经济开发区海西大道南路3号
产品名称:JDM系列计量泵
功能特性介绍:
JDM系列计量泵技术参数表
液压驱动隔膜,绝不泄漏。
高精度进出口单向阀。
内置自动放气安全阀,限位自动补油阀,确保计量精度。
双隔膜/带破裂报警功能。
PTEE隔膜寿命≥8000小时;金属隔膜>5000小时。
可手动/自动/数字变频调节流量。
泵在运行和停止状态下均可调节流量,精度±1%。
介质温度:PTEE隔膜≤100℃,金属隔膜≤200℃.
多种泵头材质可选:塑料、不锈钢、合金钢等。
整机重量:420—450Kg
型号规格 JDM-L/h /MPa
型号 流量(L/h)/压力(MPa) 电机功率KW 柱塞 
直径 
mm
接口通径 
mm
额定 
行程 
mm
往复次数min-1
90 135
JDM 70/20 100/16 2.2 20 Φ15   50
70/40 100/32 4
JDM 120/12.5 180/10 2.2 25 Φ15
120/25 180/20 4
JDM 150/10 230/8.0 2.2 28 Φ15
150/20 230/16 4
JDM 200/8.0 290/6.3 2.2 32 Φ20
200/16 290/12.5 4
JDM 245/6.3 360/5.0 2.2 35 Φ20
245/12.5 360/10 4
JDM 320/5.0 460/4.0 2.2 40 Φ20
320/10 460/8.0 4
JDM 400/4.0 600/3.5 2.2 45 Φ25
400/8.0 600/7.0 4
JDM 500/3.5 750/3.1 2.2 50 Φ25
500/7.0 750/6.2 4
JDM 600/3.1 900/2.7 2.2 55 Φ25
600/6.2 900/5.5 4
JDM 700/2.7 1000/2.5 2.2 60 Φ35
700/5.5 1000/5.0 4
JDM 850/2.5 1250/2.2 2.2 65 Φ35
850/5.0 1250/4.5 4
JDM 980/2.2 1450/2.0 2.2 70 Φ35
980/4.5 1450/4.0 4
JDM 1100/2.0 1700/1.7 2.2 75 Φ35
1100/4.0 1700/3.5 4
JDM 1280/1.7 1900/1.5 2.2 80 Φ35
1280/3.5 1900/3.0 4
JDM 1450/3.0 2180/2.5 4 85 Φ35
JDM 1600/2.5 2400/2.0 4 90 Φ45
JDM 1800/2.0 2700/1.6 4 95 Φ45
JDM 2000/1.6 3000/1.3 4 100 Φ45

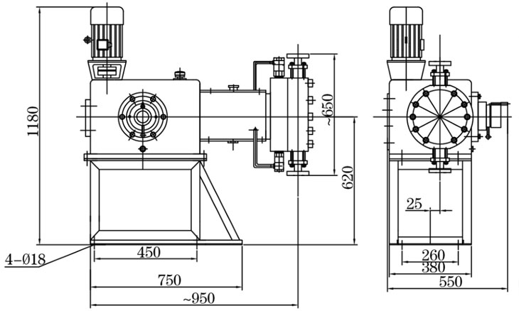
典型安装图