您好,欢迎访问连云港米德罗泵业有限公司!
全国咨询热线0518-83211422
连云港米德罗泵业有限公司
公司电话:0518-83211422
公司传真:0518-83211422
联 系 人 : 时先生
联系手机 : 15861214681
电子邮箱: SYL225767@126.COM
公司地址: 连云港市灌南经济开发区海西大道南路3号
产品名称:JTM系列计量泵
功能特性介绍:
JTM系列计量泵技术参数表
液压驱动隔膜,绝不泄漏。
高精度进出口单向阀。
内置自动放气安全阀,限位自动补油阀,确保计量精度。
双隔膜/带破裂报警功能。
PTEE隔膜寿命≥8000小时;金属隔膜>5000小时。
可手动/自动/数字变频调节流量。
泵在运行和停止状态下均可调节流量,精度±1%。
介质温度:PTEE隔膜≤100℃,金属隔膜≤200℃.
多种泵头材质可选:塑料、不锈钢、合金钢等。
整机重量:700—750Kg。
型号规格 JTM-L/h /MPa
型号 流量(L/h)/压力(MPa) 电机功率KW 柱塞 
直径 
mm
接口通径 
mm
额定 
行程 
mm
往复次数min-1
90 135
JTM 120/32 180/25 7.5 20 Φ15               80
120/63 180/50 11
JTM 190/25 280/20 7.5 25 Φ15
190/50 280/40 11
JTM 280/20 420/16 7.5 30 Φ20
280/40 420/32 11
JTM 380/16 560/12.5 7.5 35 Φ20
380/32 560/25 11
JTM 480/12.5 750/10 7.5 40 Φ25
480/25 750/20 11
JTM 600/10 900/8.0 7.5 45 Φ25
600/20 900/16 11
JTM 800/8.0 1200/6.3 7.5 50 Φ35
800/16 1200/12.5 11
JTM 950/6.3 1450/5.0 7.5 55 Φ35
950/12.5 1450/10 11
JTM 1150/5.0 1750/4.0 7.5 60 Φ35
1150/10 1750/8.0 11
JTM 1400/4.0 2000/3.5 7.5 65 Φ45
1400/8.0 2000/7.0 11
JTM 1600/3.5 2400/3.0 7.5 70 Φ45
1600/7.0 2400/6.0 11
JTM 1800/3.0 2700/2.5 7.5 75 Φ45
1800/6.0 2700/5.0 11
JTM 2000/2.5 3100/2.0 7.5 80 Φ45
2000/5.0 3100/4.5 11
JTM 2300/4.5 3500/4.0 11 85 Φ55
JTM 2600/4.0 3900/3.5 11 90
JTM 3200/3.5 4800/3.0 11 100 Φ55
JTM 3900/3.0 5800/2.5 11 110 Φ55
JTM 4600/2.5 7000/2.0 11 120 Φ75
JTM 6300/1.8 9500/1.5 11 140 Φ75

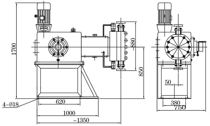
典型安装图